Przekaźnik bistabilny BIS-410-LED-24V
Zasilanie: 9÷30 V AC/DC
Max obciążenie: 16 A (160 A/20 ms)
Przyłącze: zaciski śrubowe
Z wyłącznikiem czasowym
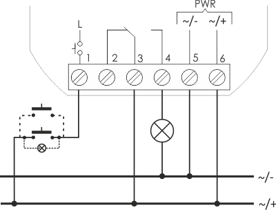
Elektroniczny przekaźnik bistabilny umożliwia załączenie oświetlenia lub innego urządzenia z kilku różnych punktów za pomocą równolegle połączonych przycisków sterujących.
Zasada działania przekaźnika bistabilnego z wyłącznikiem czasowym
Krótkie naciśnięcie przycisku powoduje zamknięcie styku (załączenie podłączonego odbiornika). Styk zostanie otwarty (wyłączenie sterowanego odbiornika) po upływie zadanego czasu t, lub po ponownym naciśnięciu przycisku.
Długie, trwające minimum 2 s, naciśnięcie przycisku powoduje załączenie styku na stałe. Otwarcie styku nastąpi dopiero po ponownym naciśnięciu przycisku (lub po zaniku napięcia zasilania).
.gif)

Opis
- Napięcie zasilania
- 9÷30 V AC/DC
- Sterowanie lokalne
- TAK
- Maksymalny prąd obciążenia AC-1
- 16 A (160 A/20 ms)
- Element wykonawczy
- przekaźnik
- Konfiguracja styków
- 1 × NO
- Separacja styku
- TAK
- Odporność na prądy udarowe - współpraca z LED
- TAK
- Ilość kanałów
- 1
- Funkcjonalność
- włącz/wyłącz z wyłącznikiem czasowym
- Opóźnienie zadziałania
- 0,1 ÷ 0,2 s
- Prąd impulsu sterującego
- mniej niż 1 mA
- Współpraca z przyciskami podświetlanymi
- NIE
- Pamięć stanu po zaniku zasilania
- NIE
- Czas wyłączenia
- 1÷15 min.
- Funkcja załącz na czas
- TAK
- Dedykowane wejścia sterowania centralnego
- NIE
- Sterowanie radiowe
- NIE
- Przyłącze
- zaciski śrubowe 2,5 mm²
- Moment dokręcający
- 0,4 Nm
- Pobór mocy
- 0,7 W
- Temperatura pracy
- -25 ÷ 50 °C
- Wymiary
- Ø54 (48×43 mm), wysokość: 25 mm
- Montaż
- w puszce podtynkowej Ø60
- Stopień ochrony
- IP20